
適合于流動性較好的顆粒類物料。如茶葉、中草藥、種子、豆類、咖啡豆、巧克力豆、果仁、味精、雞精等小計量類的高速度定量稱重。

1. 采用高精度的特制傳感器。
2. 智能化的多次采樣穩定模式,稱量更精準。
3. 智能化的故障報警提示,維護更方便。
4. 高速異步放料功能,有效防止物料阻塞。
5. 全新高集成模塊化設計,采用了CAN總線技術。
6. Modbus工業標準通信協議,實現組合秤和包裝機界面合二為一。
1. 雙層下料斜槽結合雙高速集料斗交替下料,有效突破了斜槽的加料時間的瓶頸。
2. 大圓弧角口字型機箱,整體結構更加協調美觀。
3. 穩定式的鋁殼結構使得料斗運行更穩定,讀數更精準。
4. 整體式機箱和中座增強了機器的強度,使得料斗的穩定時間更短。
5. 統一的設計標準,采用模具制作工藝,使各個零部件的互換性更強。
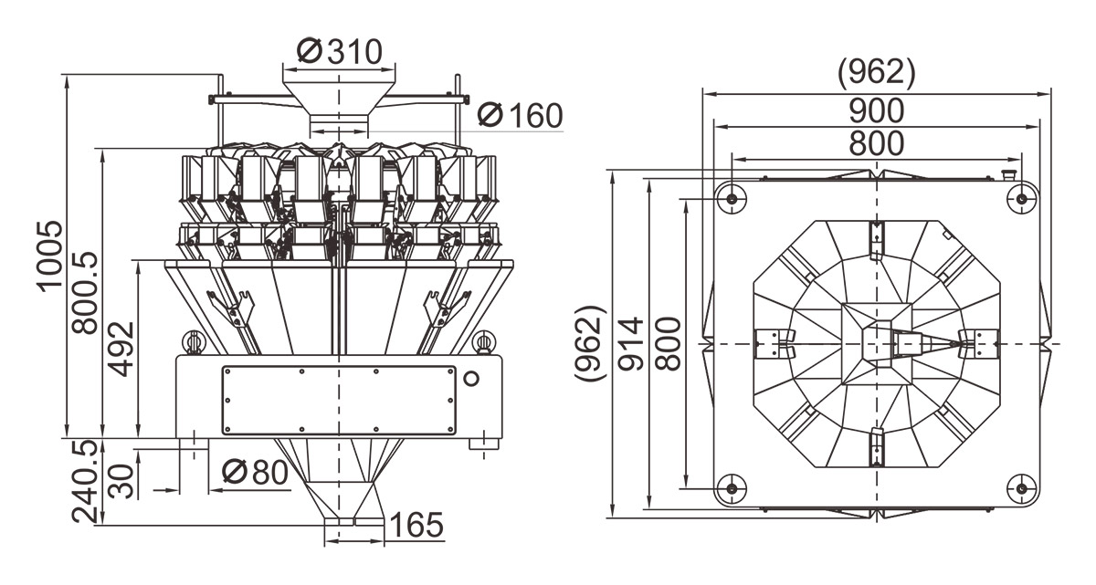
型號 | JW-A16 |
識別代號 | A16-2-7 |
稱重范圍 | 2-200g |
稱重精度范圍 | x(0.5) |
最大稱重速度 | 180P/M |
料斗容量 | 0.5L |
操作界面 | 10.1寸觸摸屏 |
選購裝置 | 花紋秤斗/集料斗/數據打印裝置/超重選別裝置 |
驅動方式 | 步進電機 |
電源要求 | 220V/1500W/50/60Hz/10A |
包裝尺寸(mm) | 1250(L)x1070(W)x960(H) |
包裝重量 | 300kg |



